Izmantojams, lai transportētu silto gaisu no kamīna pa ventilācijas sistēmas kanāliem uz citām telpām.
Palielina efektivitāti un samazina izmaksas kamīna apkurei.
Ventilators ir aprīkots ar termostatu.
Ar vārstu.
Krāsa: sudraba
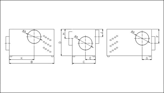
Izmēri
A (Diametrs) 149 mm
B 470 mm
C 282 mm
D 333 mm
E 135 mm
F 205 mm
G 97 mm
H 115 mm
J 90 mm
K 270 mm
Parametri
Gaisa plūsma (m3/h) 510
Gaisa plūsma (m3/s) 0,14
Statiskā gaisa spiediens (Pa) 218
Statiskā gaisa spiediens (mmH2O) 22,22
Skaņas spiediens (dB(A)1m) 53
Spriegums/frekvence (V/Hz) 230/50
Motora apgriezienu skaits (obr./min) 965
Jauda (W) 76
Strāvas patēriņš (A) 0,34
Darba temperatūra ('C) -20 ... +150
Termostata t' reg. diapazons ('C) 0 ... 90
Svars (kg) 8,3
Aizsardzības klase (IP) 20
Izolācijas klase I
Gultņa veids lodīšu
Materiāls cinkots tērauds |  ( + ) palielināt
 ( + ) palielināt
|
Lūdzam ievērot
- Cenas norādītas latos vai eiro ar PVN 21% izņemot:
- kokmateriālus - dēļus, mietiņus un mietiņu pusītes.
- Preču aprakstiem un attēliem ir informatīva nozīme, parametros vai komplektācijās ir iespējamas ražotāju noteiktās izmaiņas.
- Konkrētos jautājumos par precēm varat sazināties ar mums.
|